skarp toppkedja för användning i fuktiga och dammiga miljöer

Skarp tandkedja är en typ av transmissionskedja, dess struktur kännetecknas av en serie tandkedjeplattor och styrplattor monterade växelvis, och genom stiftet eller en kombination av ledade element anslutna till form är den intilliggande tonhöjden gångjärnsfogar.

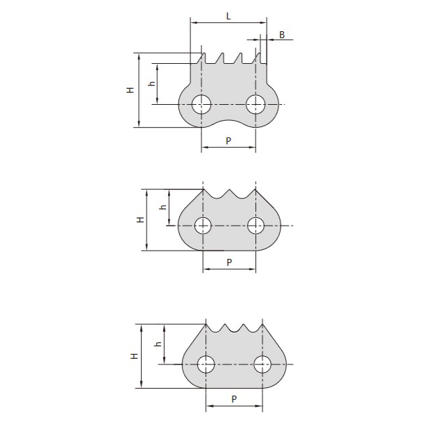
Beskrivning

Cusp-kedjan, klassificerad efter styrtyp, inkluderar externt styrande tandad kedja, internt styrande tandad kedja och dubbel internt styrande tandad kedja. Denna kedjetransmission utnyttjar den exakta ingreppningen av kedjans och kedjehjulets tänder för att överföra kraft och rörelse, vilket säkerställer ett korrekt genomsnittligt överföringsförhållande.

Fördelar med kedjetransmission

  • Hög transmissionseffekt och stark överbelastningskapacitet
  • Kompakt transmissionsstorlek för samma arbetsförhållanden
  • Kräver mindre spännkraft
  • Fungerar tillförlitligt i tuffa miljöer med hög temperatur, luftfuktighet, damm och föroreningar

Nackdelar med kedjor

  • Högre kostnad jämfört med andra kedjetyper
  • Känslig för slitage och töjning
  • Dålig smidighet i transmissionen, med extra dynamisk belastning, vibrationer, stötar och buller under drift
  • Inte lämplig för transmissionstillämpningar med snabb reversering

Sammanfattningsvis är cusp-kedjor idealiska för applikationer som kräver hög kraftöverföring i krävande miljöer, men kanske inte lämpliga för uppgifter som kräver frekventa snabba reverseringar eller minimalt med buller och vibrationer.

Tekniska parametrar

tekniskt bord med skarp toppkedja

tekniskt bord med skarp toppkedja